Đầu nối PC10-02 PISCO là một loại tube fitting chất lượng cao, được thiết kế để cung cấp hiệu suất ổn định và đáng tin cậy trong các hệ thống đường ống công nghiệp. Với cấu trúc chắc chắn và độ bền cao, PC10-02 PISCO đảm bảo kết nối chặt chẽ và an toàn cho hệ thống. Sản phẩm này thường được ứng dụng rộng rãi trong các ngành như tự động hóa, điều khiển quy trình và sản xuất. Đây là là sự lựa chọn lý tưởng để tối ưu hóa hiệu suất và đảm bảo ổn định cho các ứng dụng đòi hỏi độ chính xác và độ tin cậy cao.
I. Giới thiệu về đầu nối thẳng PC10-02 PISCO
A. Giới thiệu tổng quan về tube fitting PC10-02
B. Mục đích của việc sử dụng đầu nối trong các ứng dụng công nghiệp
Ngành tự động hóa:
Trong ngành tự động hóa, đầu nối PC10-02 được sử dụng để kết nối các thành phần như bơm, van, và các thiết bị cảm biến trong các hệ thống điều khiển tự động. Điều này giúp tạo ra một hệ thống linh hoạt và dễ điều chỉnh, đáp ứng các yêu cầu của quy trình sản xuất và tự động hóa.
Ngành sản xuất và gia công:
Trong các nhà máy sản xuất và gia công, đầu nối được sử dụng để kết nối các máy móc và thiết bị sản xuất với hệ thống cung cấp chất lỏng hoặc khí. Điều này giúp đảm bảo sự liên kết chặt chẽ và an toàn, đồng thời tối ưu hóa hiệu suất của quy trình sản xuất.
Ngành thực phẩm và đồ uống:
Trong ngành thực phẩm và đồ uống, được sử dụng để kết nối các ống và thiết bị trong quy trình sản xuất và đóng chai. Chúng được chế tạo từ các vật liệu an toàn cho thực phẩm và tuân thủ các tiêu chuẩn về vệ sinh, đảm bảo sự an toàn và chất lượng của sản phẩm cuối cùng.
Ngành y tế và dược phẩm:
Trong các ứng dụng y tế và dược phẩm, đầu nối có thể được sử dụng trong các hệ thống cung cấp khí y tế hoặc trong quy trình sản xuất các sản phẩm dược phẩm. Điều này đảm bảo sự chính xác và độ tin cậy của các quy trình quan trọng trong ngành này.
Ngành hóa chất và dầu khí:
Trong các môi trường hóa chất và dầu khí, được sử dụng để kết nối các ống và thiết bị trong quy trình sản xuất, vận chuyển và lưu trữ các hóa chất và dầu mỏ. Chúng thường được chế tạo từ các vật liệu chịu hóa chất và chịu nhiệt, đảm bảo sự an toàn và bền bỉ trong môi trường khắc nghiệt này.
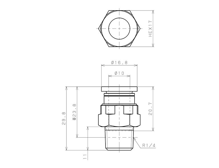
II. Thông số kỹ thuật PC10-02

List model:
| PL4-M5 | PC4-M5 |
| PL4-M5 | PC4-M6 |
| PL4-M6 | PC6-M5 |
| PL4-01 | PC6-M6 |
| PL4-02 | PC6-01 |
| PL6-M5 | PC6-02 |
| PL6-M5 | PC6-03 |
| PL6-M6 | PC8-01 |
| PL6-01 | PC8-02 |
| PL6-02 | PC8-03 |
| PL6-03 | PC10-01 |
| PL8-01 | PC10-02 |
| PL8-02 | PC10-03 |
| PL8-03 | PC10-04 |
| PL10-01 | PC12-02 |
| PL10-02 | PC12-03 |
| PL10-03 | PC12-04 |
| PL10-04 | PC16-03 |
| PL12-02 | PC16-04 |
| PL12-03 | PC5/32-M5 |
| PL12-04 | PC5/32-01 |
| PL16-03 | PC5/32-02 |
| PL16-04 | PC3/16-M5 |
| Chất lỏng truyền động: | Khí, Nước (Điều kiện*) |
| Áp suất làm việc tối đa: | 1.0MPa |
| Chân không tối đa: | -100kPa -100kPa |
| Phạm vi nhiệt độ hoạt động: | 0~60℃ (Không đóng băng) |
| Loại mẫu | Thẳng (Straight) |
| Trọng lượng | 19g |
| Chất liệu | Đồng thau với lớp mạ niken điện hóa. |
| Đệm cao su | NBR |

III. Tính năng và đặc điểm kỹ thuật đầu nối PC10-02 PISCO
Đầu nối ống đến trong một loạt các mẫu đa dạng để đáp ứng tất cả nhu cầu của bạn trong hệ thống ống khí nén. Nước được phép điều kiện.
Hiệu suất cao / chất lượng cao
- Các móc khóa nắm chặt chu vi của ống một cách đều đặn.
- Cảm giác như mới, ngay cả sau nhiều năm sử dụng.
- Ống co giãn hình dạng độc đáo của PISCO ngăn không cho không khí rò rỉ.
Sản xuất trong phòng sạch, phù hợp nhất cho việc lắp đặt ống trong phòng sạch, có sẵn.
- Fluorin được áp dụng và rửa bằng không khí sạch, sau đó được đóng gói trong phòng sạch công nghệ ISO 6.
- Đặc điểm kỹ thuật rửa sạch, phù hợp nhất cho các quy trình sản xuất khác nhau.
IV. Lưu ý khi sử dụng PC10-02
Hãy đảm bảo tuân theo các hướng dẫn dưới đây khi chất lỏng truyền động là nước.
Áp suất dòng chảy phải được kiểm soát thấp hơn áp suất làm việc tối đa khi sử dụng nước làm chất lỏng truyền động.
Nước máy không chứa tạp chất hoặc bị ô nhiễm có thể được sử dụng. Thực hiện đánh giá dưới điều kiện vận hành thực tế khi sử dụng loại nước khác.
Hãy đảm bảo đặt Vòng Chèn (WR) vào mép ống khi sử dụng nước làm chất lỏng truyền động.

