NSL0860-02 PISCO

NSL0860 02 pisco

Đầu nối NSL0860-02 là một phần quan trọng của hệ thống ống dẫn, được thiết kế để cung cấp sự kết nối chắc chắn và an toàn giữa ống và các thành phần khác trong các ứng dụng công nghiệp và điện tử. Với đặc tính chịu áp lực và chịu nhiệt tốt, NSL0860-02 PISCO đảm bảo hiệu suất ổn định và đáng tin cậy cho hệ thống. Sản phẩm này được sản xuất với tiêu chuẩn cao và được đánh giá cao về độ bền và độ chính xác trong lắp đặt.

I. Giới thiệu tube fitting NSL0860-02 PISCO

A. Giới thiệu chung

Trong các hệ thống ống dẫn, tube fitting NSL0860-02 là một thành phần quan trọng, giúp kết nối ống với các thiết bị và bộ phận khác một cách chắc chắn và an toàn. Với khả năng chịu áp lực và nhiệt độ tốt, đầu nối này đảm bảo hiệu suất ổn định và đáng tin cậy cho hệ thống. Sản phẩm này được chế tạo với tiêu chuẩn cao, đảm bảo độ chính xác và sự tin cậy trong mọi ứng dụng công nghiệp và điện tử.

B. Tác dụng trong một số ngành công nghiệp

Công nghiệp hóa chất:

Tube fitting cần phải chịu được ảnh hưởng của hóa chất và dung môi, đồng thời đảm bảo kín đáo để tránh rò rỉ và ô nhiễm.

Công nghiệp y tế:

Trong các ứng dụng y tế, sự kín đáo và độ an toàn của hệ thống ống rất quan trọng để đảm bảo sự hiệu quả và sức khỏe của bệnh nhân.

Sản xuất bán dẫn:

Các ống dẫn trong quá trình sản xuất bán dẫn cần phải đảm bảo sự chính xác và sạch sẽ để tránh ô nhiễm và hỏng hóc cho sản phẩm.

Ngành thực phẩm:

Trong ngành công nghiệp thực phẩm, sự kín đáo và chống ăn mòn của tube fitting là rất quan trọng để đảm bảo an toàn và chất lượng của sản phẩm.

II. Tổng quan về đầu ngạnh nối ống NSL0860-02

A. Đặc điểm kỹ thuật của NSL0860-02

nsl0860 02 pisco

Chất lỏng truyền động: Không khí, Nước, Các chất khác như hóa chất (*1)
Áp suất làm việc tối đa: Tùy thuộc vào áp suất vận hành tối đa của ống
Áp suất chân không tối đa:  -100 kPa

Phạm vi nhiệt độ hoạt động:

Phụ thuộc vào phạm vi nhiệt độ hoạt động của ống (Không đóng băng) (*2)

B. Lưu ý

*1. Đảm bảo tuân thủ các hướng dẫn dưới đây khi chất lỏng trung bình là nước hoặc chất lỏng.

  • Áp suất đột ngột phải được kiểm soát thấp hơn áp suất làm việc tối đa khi sử dụng nước hoặc chất lỏng làm chất trung bình.
  • Nước máy không có chất ngoại lai hoặc ô nhiễm có thể được sử dụng.
  • Thông số kỹ thuật ở trên có thể không được áp dụng, phụ thuộc vào loại hóa chất hoặc khí hỗn hợp được sử dụng làm chất trung bình. Đảm bảo sử dụng sản phẩm PISCO sau khi xác minh tính phù hợp trên phía người dùng.

*2. Phạm vi nhiệt độ hoạt động tuân theo thông số kỹ thuật của ống. Việc vận hành trong môi trường nhiệt độ cao có thể gây ra hỏng hóc cho sản phẩm khi chúng nhận được một tải trọng quá mức.

*3. Do cấu trúc của fitting, hiệu suất giảm khi ống mềm được lắp vào. Hãy đảm bảo xác nhận hiệu quả thực tế với ống sử dụng trước khi vận hành thực tế.

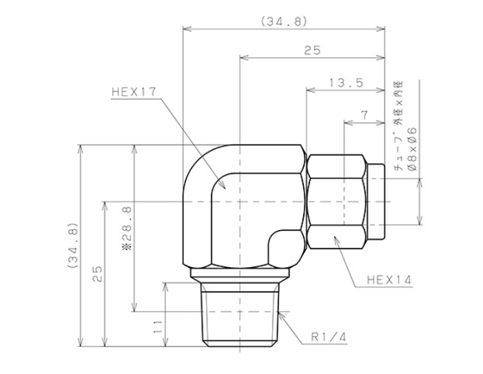
C. Kích thước ống

Đường kính ống (O.D. x I.D.)

  • Kích thước mm (mm): φ4xφ2, φ4xφ2.5, φ6xφ4, φ8xφ5, φ8xφ6, φ10xφ6.5, φ10xφ7.5, φ10xφ8, φ12xφ8, φ12xφ9, φ12xφ10, φ16xφ11, φ16xφ13
  • Kích thước inch: φ6.35xφ4.57 (φ1/4″), φ9.53xφ6.99 (φ3/8″), φ12.7xφ9.56 (φ1/2″)

Kích thước ren

  • Ren nối côn nam R1/8, R1/4, R3/8, R1/2
  • Ren nối côn nữ Rc1/8, Rc1/4, Rc3/8, Rc1/2

nsl0860 pisco2

III. Điểm ưu việt của đầu nối NSL0860-02

Fitting nén được làm từ SUS316, chất liệu chịu ăn mòn cao.

Phù hợp tốt không chỉ cho các ngành công nghiệp hóa chất mà còn cho các ngành công nghiệp như chăm sóc y tế, sản xuất bán dẫn, pin mặt trời và pin phụ, thực phẩm, yêu cầu môi trường đặc biệt kín khít.

Phù hợp tốt cho việc lắp đặt ống trong phòng sạch.

Được rửa bằng không khí sạch, sau đó đóng gói trong phòng sạch lớp 6 theo tiêu chuẩn ISO.

Ống polyurethane có thể được sử dụng.

Các fitting thẳng và uốn cong cho ống polyurethane Pisco (OD ø8~ø16mm) được giới thiệu.

IV. Kết luận khớp nối NSL0860-02 PISCO

Tube fitting NSL0860-02 là một phần quan trọng của hệ thống ống dẫn, được thiết kế để kết nối chắc chắn và an toàn giữa các thành phần trong các ngành công nghiệp khác nhau. Với vật liệu chất lượng cao như SUS316, NSL0860-02 có khả năng chống ăn mòn và chịu áp lực tốt, phù hợp với nhiều loại chất lỏng và môi trường làm việc khác nhau như hóa chất, y tế, bán dẫn, năng lượng mặt trời và thực phẩm.

Tóm lại, không chỉ cung cấp sự kết nối đáng tin cậy mà sản phẩm còn đảm bảo an toàn và hiệu suất cho hệ thống ống dẫn trong các ngành công nghiệp khác nhau.

Liên hệ với Hà An để nhận báo giá và tư vấn sản phẩm ngay hôm nay!

Trả lời

Email của bạn sẽ không được hiển thị công khai. Các trường bắt buộc được đánh dấu *